特殊技術,SPECIAL TECHNOLOGY
材 料 検 査
走査型電子顕微鏡(SEM:Scanning Electron Microscope)は、試料の表面状況を低倍率から高倍率まで連続的に観察できる優れた顕微鏡です。その特性から、たとえば破損品の原因調査における破面様相観察や光学顕微鏡では観察できない金属組織の微視的観察などに適用されます。また、SEM に分析装置を装着することで、多様な分析をおこなうことができます。
弊社では最新の SEM とエネルギー分散型X線分析装置(EDS:Energy Dispersive x-ray Spectroscopy)を導入し、サンプリング材調査等におけるさまざまなニーズにお応えいたします。
▶仕 様
- SEM(走査型電子顕微鏡):KEYENCE 社製 VE-8800
観察倍率:15 倍 ~ 10 万倍
加速電圧:0.5 kV ~ 20 kV
3D 観察機能他
- EDS(エネルギー分散型X線分析装置):Oxford 社製 INCA Energy
定性分析、簡易定量分析
ラインスキャン、元素マッピング機能等
▶用 途
- 破損品の破面観察(原因調査)
- 金属組織形態の詳細観察
- 各種元素分析(定性、簡易定量、元素分布状態など)
▶観察・分析例
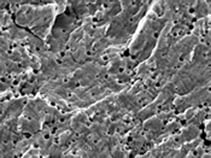
破面観察事例



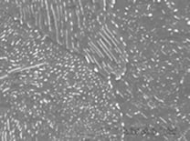
金属組織観察事例(Cr-Mo鋼 : 高温長時間使用材)


元素分析の例 (耐熱超合金:高温長時間使用材)





